ZW型贮罐

  • 服务名称: ZW型贮罐
  • 服务分类: 搪玻璃设备
  • 公司名称: beat·365(中国)-官方网站
  • 添加时间: 20/03/02
  • 点击次数:  
  • 二 维 码:

    手机浏览

    更方便

产品详情

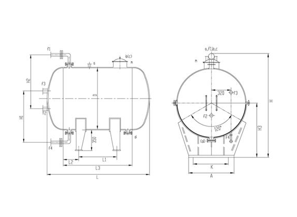
型  号

公称容

L

实际容

L

管   口   尺   寸  (mm

参考重

Kg

 

 

 

a

b

c

d

F1-4

m

 

ZW-3000

3000

3337

80

65

65

80

65

300x400

1732

ZW-4000

4000

4457

80

65

65

80

65

300x400

2076

ZW-5000

5000

5550

80

65

65

80

65

300x400

2510

ZW-6300

6300

7024

80

65

65

80

65

300x400

3200

ZW-8000

8000

8910

80

65

65

80

65

300x400

3730

ZW-10000

10000

11094

100

80

80

100

65

450

4740

ZW-12500

12500

13921

100

80

80

100

65

450

5640

ZW-16000

16000

17756

100

80

80

100

65

450

6700

ZW-20000

20000

22332

100

80

80

100

65

450

8420

ZW-30000

30000

33300

100

80

80

100

65

450

12700

ZW-50000

50000

51605

100

80

80

100

65

450

18308

型  号

设      备     尺      寸    (mm

 

D

H1

H2

H3

H

L1

L2

L3

L

A

K

ZW-3000

1450

1100

1200

1089

2146

934

260

1454

2288

1300

1090

ZW-4000

1450

1100

1200

1089

2146

1494

320

2134

2968

1300

1090

ZW-5000

1600

1200

1200

1166

2300

1420

360

2140

3052

1430

1180

ZW-6300

1750

1300

1300

1243

2454

1474

390

2254

3246

1560

1300

ZW-8000

1900

1300

1400

1318

2604

1590

420

2430

3496

1690

1420

ZW-10000

2000

1400

1400

1368

2704

1880

450

2780

3900

1780

1490

ZW-12500

2000

1400

1400

1368

2704

2740

470

3680

4800

1780

1490

ZW-16000

2200

1500

1500

1470

2908

2840

500

3840

5080

1950

1680

ZW-20000

2400

1600

1600

1572

3112

2930

550

4030

5374

2130

1890

ZW-30000

3000

1900

2000

1876

3720

2370

630

3630

5282

2650

2430

ZW-50000

3000

1900

2000

1876

3720

4888

630

6148

7800

2650

2430


点击次数:   更新时间:20/03/02 15:32:03   【打印此页】   【关闭
联系我们
beat365中国官方网站

销售部:0533-2889567   13969380660  13287013119

维修部:13864665433    0533-2889567

传  真:0533-2889567 邮  编:255000
邮  箱:zbzhuding@163.com
网  址:https://www.busymom365.com
地址:淄博市张店区柳泉路13号