黑龙江电加热反应罐

  • 服务名称: 黑龙江电加热反应罐
  • 服务分类: 搪玻璃设备
  • 公司名称: beat·365(中国)-官方网站
  • 添加时间: 20/03/02
  • 点击次数:  
  • 二 维 码:

    手机浏览

    更方便

产品详情

电加热搪玻璃反应釜(电加热搪瓷反应釜)介绍

电加热搪玻璃反应釜(电加热搪瓷反应釜)是根据均匀分布在搪玻璃反应釜夹套底部的优质电加热器(俗称:加热棒)加热夹套中导热油,通过油浴传递热量的工作原理,使搪玻璃反应釜内的物料达到工艺要求温度。电加热搪玻璃反应釜具有清洁卫生、无污染、升温快等特点。  

电加热器分布方式有斜插、竖插、斜插竖插交错等,可以直接接单相电,也可以通过星型、三角型等接法接入380v电源。我公司生产的电加热搪玻璃反应釜配备有全自动加热控制柜,可实现单组或多组电加热器同时工作,具有温度显示、电机控制、漏电保护等装置,完全实现电加热自动化控制。  

搪玻璃电加热反应釜工作原理:搪玻璃电加热反应釜使用电热棒加热夹套中的导热油,从而通过夹套内壁对反应釜内物料提供热量环境。当反应釜的温度被加热到所需的水平时,用于控制电加热棒的温度测量和控制仪器将关闭它以保持恒定的温度。从而为反应釜内物料提供指定的理论反应温度,从而提高物料反应速率效率的进行。


电加热搪玻璃反应釜(电加热搪瓷反应釜)(K50L-K5000L)

产品名称:电加热搪玻璃反应釜 

别名:电加热搪瓷反应釜 

所属类别:搪玻璃反应釜(搪瓷反应釜) 

产品规格:K50LK100LK200LK300LK500LK1000LK1500LK2000LK3000LK4000LK5000L

【产品特点】: 

1、筑鼎公司生产的电热搪玻璃反应器具有加热速度快、耐高温腐蚀性能好、卫生性能好、无环境污染、使用方便等特点。 

2、筑鼎电加热搪玻璃反应釜是一种基于国内外先进技术制造的新型搪玻璃设备。在医药、化工、食品、天然调味品、食品添加剂、轻工等领域有着广泛的应用。

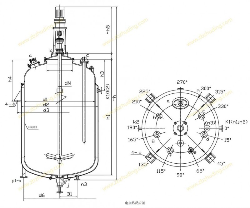
 3、筑鼎搪玻璃电加热反应釜是由搪玻璃罐体、搪玻璃罐盖、搪玻璃搅拌器、夹套、加热管、支撑和传动装置、密封装置等组成,物料和喷嘴可根据用户的工艺要求确定。我们还根据客户的需要设计和制造非标准搪玻璃电加热反应釜。

 4、我们的电加热搪玻璃反应釜采用XH-5809高性能的釉质结合成熟的搪瓷技术涂覆在反应釜的内表面上,确保优良的耐腐蚀、机械冲击和急剧的温度变化,和卓越的耐久性。


【电加热搪玻璃反应器的技术参数】: 

K50L-K5000L电加热搪玻璃反应釜(电加热搪瓷反应釜)设计图纸及参数如下所示:




公称容积(L

50

100

200

300

500

1000

1500

2000

3000

5000

D1(mm

500

600

700

800

900

1200

1300

1300

1600

1750

D2(mm

700

800

900

1000

1100

1400

1450

1450

1750

1900

D3(mm

806

916

1018

1128

1230

1568

1622

1622

1964

2152

D4(mm

608

708

810

910

1010

1312

1389

1389

1690

1840

H mm

1810

2130

2280

2620

2850

3200

3310

3700

3800

4480

注:电加热反应罐其它参数可参照标准反应罐参数,电加热器接口数量可根据用户工艺要求而定。


淄博筑鼎搪玻璃设备订货条件参数表格下载


表格编号:ZBZD-

订 货 单 位

 

合 同 编 号

 

设 备 名 称

 

交 货 日 期

 

位       号

 

数       量

 

公 称 容 积

 

 直  径(内/外)

/

类型(反罐或储罐)

 

夹 套 介 质

 

釜 内 介 质

 

夹套工作压力

 

釜内工作压力

夹套工作温度

 

釜内工作温度

 

 

--

管 口 要 求

 

减   速  机

 

转      速

 

电       机

 

搅       拌

 

温   度  计

 

密 封 形 式

 

放   料  阀

 

执 行 标 准

 

详 细 加 温 条 件

加温时间:

加热温度:

冷却方法:

其它说明:

 

 

 

 

 

 

 

联 系 方 式

单位地址:

联 系 人:

联系座机:                         手机:

联系传真:

联系邮箱:



点击次数:   更新时间:20/03/02 15:07:03   【打印此页】   【关闭
联系我们
beat365中国官方网站

销售部:0533-2889567   13969380660  13287013119

维修部:13864665433    0533-2889567

传  真:0533-2889567 邮  编:255000
邮  箱:zbzhuding@163.com
网  址:https://www.busymom365.com
地址:淄博市张店区柳泉路13号